加微信聯系
[HTML]
[XML]
産品展示
新聞中心
技術支持
網站首頁
公司介紹
産品展示
行業資訊
技術支持
樣本下載
産品應用
在線訂購
在線留言
聯系我們
産品分類:
減速機
┊
蝸輪絲杆升降機
┊
轉向箱
┊
蝸輪蝸杆減速機
┊
齒輪減速機
┊
行星齒輪減速機
┊
擺線針輪減速機
┊
無級變速機
┊
大功率減速器
┊
資訊分類
新聞中心
技術支持
産品資訊
和産品相關的技術文章
SWL蝸輪絲杆升降機
TRSS系列絲杆升降機
JWM螺旋升降機
T螺旋傘齒輪轉向箱
ARA螺旋錐齒輪轉向箱
HD螺旋錐齒換向器
R系列斜齒輪硬齒面減速機
S系列斜齒輪蝸輪減速機
K系列螺旋錐齒輪減速機
F系列平行軸斜齒輪減速機
RV系列蝸輪蝸杆減速機
WP鑄鐵蝸輪蝸杆減速機
伺服行星減速機
P系列行星齒輪減速器
X/B系列擺線針輪減速機
WB微型擺線減速機
MB無級變速機
G全封閉齒輪減速電機
MC硬齒面減速器
HB标準工業齒輪箱
Z系列硬齒面圓柱齒輪減速機
當前位置:
網站首頁
>
技術支持
> T10-1:1-1-U轉向箱外形尺寸及實物圖 水平輸入 豎直向上輸出-上海恒點
T10-1:1-1-U轉向箱外形尺寸及實物圖 水平輸入 豎直向上輸出-上海恒點
Tags:
T螺旋傘齒輪轉向箱
發布時間: 2023-08-24
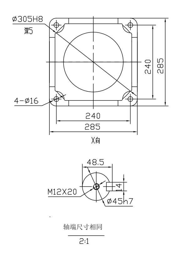
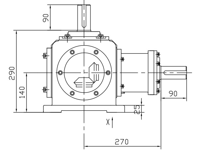
T10-1:1-1-U轉向箱水平輸入,豎直向上輸出。輸入軸和輸出軸相同,均爲軸徑45,軸長90,開口鍵14,軸端M12*20的螺紋孔,底面安裝距離爲240*240,中心高爲140。
T10的重量爲80KG,加油量爲5L,油号爲220#工業齒輪油。初期使用二周或100-200小時,爲初摩耗期,這之間可能有少許金屬摩耗粉粒,請務必清潔内部,並更換新的潤滑油。長期使用時,每半年至一年或1000-2000小時更換一次潤滑油。
T10-1:1-1-U轉向箱實(shí)物圖(tú)如下
:
T10-1:1-1-U轉向箱外形尺寸:
上一篇:
HD17-1:1-A(C)齒輪換向器 軸入軸出 實物和外形尺寸圖-恒點
下一篇:
T16-2:1-1-L-O轉向箱實物及外形尺寸圖-上海恒點
相關新聞文章
> 查看更多
軸承異響-部件損傷與直接失效
2026-01-22
各種交流電動機的旋轉原理
2025-12-11
氣壓傳動的優點和缺點
2025-11-20
編制工藝規程時必須具備的原始資料有哪些
2025-10-28
什麽叫沖壓,沖壓有哪些優點?
2025-09-18
簡述火焰矯正的原理
2025-08-21
數控加工的基本原理是什麽
2025-07-07
壓鑄小知識介紹
2025-06-09
錐齒輪承載能力計算方法第1部分:概述和通用影響系數附錄B、C(GB/T10062.1-2003)
2025-04-23
什 麽 是 關 節 軸 承 ?
2025-02-13
什 麽 是 關 節 軸 承?
2025-01-14
什麽是低溫軸承?
2024-12-04
【
關閉本頁
】 【
打印本頁
】
電 話:021-22815912 021-22816186 傳 真:021-32050712 郵箱:sales@021jsj.cn
減速機
絲杆升降機
轉向箱
蝸輪蝸杆減速機
Copyright
©
2009-2026
上海恒點傳動設備有限公司
版權所有 地址:上海市金山區亭林鎮林寶路39号 郵編:200442
滬ICP備10206998号-2
友情鏈接
:
機械設備網
|
渦街流量計
|
輸送機
|
變頻控制櫃
|
破碎機
|
工業同城
|
手持終端
|
柴油發電機
|
uv平闆打印機
|
風淋室
|
QUV
|
防火門
|
九愛圖紙
|
感應加熱設備
|
輸送帶廠家
|
噪聲治理
|
西門子plc
|
拖鏈電纜
|
AGV
|
機械雜志
|
現代機械
|
UWB高精度定位
|
×
手機用戶請長(zhǎng)按添加到“照片”,然後(hòu)打開微信掃一掃選擇二維碼。